01
FCRQ2 Series Thin Swing Cylinder - Rack and Pinion Type
Symbols

Finished Product Order Code

Specifications
| Dimensions | 10 | 15 | 20 | 30 | 40 |
| Fluid Used | Air (No Oil) | ||||
| Maximum Operating Pressure | 0.7 MPa | 1.0MPa | |||
| Minimum Operating Pressure | 0.15MPa | 0.1MPa | |||
| Environmental Temperature and Fluid Usage Temperature | 0~60°C (But Not Frozen) | ||||
| Cushion | Cushion Pad | None, Air Buffer | |||
| Angle Adjustment Range | Each Swing End ±5° | ||||
| Swing Angle | 90° 180° 360° | ||||
| Port Size | M5×0.8 | Rc1/8, G1/8, NPT1/8, NPTF1/8 | |||
| Output Nm ※ | 0.3 | 0.75 | 1.8 | 3.1 | 5.3 |
[Note] ※ Indicates the output at a pressure of 0.5MPa.
Allowable Kinetic Energy and Stable Swing Time Adjustment Range During Action
| Dimensions | Allowable Kinetic Energy | Stable Swing Time Adjustment Range in Action | |||
| Allowable Kinetic Energy (J) | Buffer Angle | ||||
| No Buffer | Cushion Pad | With Air Buffer ※ | Swing Time (s/90°) | ||
| 10 | - | 0.00025 | - | - | 0.2~0.7 |
| 15 | - | 0.00039 | - | - | 0.2~0.7 |
| 20 | 0.025 | - | 0.12 | 40° | 0.2~1 |
| 30 | 0.048 | - | 0.25 | 40° | 0.2~1 |
| 40 | 0.081 | - | 0.4 | 40° | 0.2~1 |
[Note]
1. Allowable kinetic energy with buffer.
2. The maximum absorption energy in the most suitable adjustment of the buffer valve.
3. In the case of kinetic energy action exceeding the allowable value,internal damage may occur in the product and it cannot be used. Adjustment is required during design. During operation, pay special attention not to exceed the allowable kinetic energy.
Internal Structure and Main Component Materials


| No. | Part Name | Material | Notes |
| 1 | Body | Aluminum Alloy | Anodizing |
| 2 | Cover | Aluminum Alloy | Chromate, Coating |
| 3 | Plate | Aluminum Alloy | Chromate |
| 4 | End Cap | Aluminum Alloy | Chromate, Coating |
| 5 | Piston | Stainless Steel | |
| 6 | Shaft | Stainless Steel | Size: 10,15 |
| Chromium Molybdenum Steel | Size: 20,30,40 | ||
| 7 | Seal Ring Press Plate | Aluminum Alloy | Chromate |
| 8 | Bearing Press Plate | Aluminum Alloy | Chromate |
| 9 | Wear Ring | Resin | |
| 10 | Hex Socket Screw | Stainless Steel | |
| 11 | Hex Nut | Steel Wire | Size: 10,15 |
| Small Hex Nut | Size: 20,30,40 | ||
| 12 | Internal Cross 0 Pan Head Small Screw | Steel Wire | |
| 13 | Internal Cross 0 Pan Head Small Screw | Steel Wire | Size: 10,15 |
| Inner Cross Pan Head Small Screw | Size: 20,30,40 |
| No. | Part Name | Material | Notes |
| 14 | Hex Socket Cap Screw | Chromium Molybdenum Steel | |
| 15 | Bearing | Bearing Steel | |
| 16 | Parallel Key | Carbon Steel | Size: 20,30,40 |
| 17 | Steel Ball | Stainless Steel | Size: 20,30,40 |
| 18 | CS Type Elastic Retaining Ring | Stainless Steel | |
| 19 | Seal Ring | NBR | |
| 20 | Washer | NBR | |
| 21 | Piston Seal Ring | NBR | |
| 22 | Buffer Seal Ring | Elastic Material | Size: 20,30,40 with Magnetic Switch |
| 23 | Seal Washer | NBR | |
| 24 | Magnet | - | Only with Magnetic Switch |
| 25 | Buffer Valve Assembly | Size: 20,30,40 with Magnetic Switch | |
| 26 | Cushion Pad | Elastic Material | Size: 10,15 |
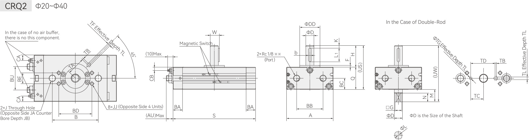
External Specifications

| Dimensions | Swing Angle | A | AU※ | B | BA | BB | BC | BD | BU | D(g6) | DD(h9) | H |
| 10 | 90°,180°,360° | 42.4 | (8.5) | 29 | 8.5 | 17 | 6.7 | 2.2 | 16.7 | 5 | 12 | 18 |
| 15 | 90°,180°,360° | 53.6 | (9.5) | 31 | 9 | 26.4 | 10.6 | - | 23.1 | 6 | 14 | 20 |
| Dimensions | Swing Angle | W | Q | S | US | UW | ab | M | TA | TC | TD |
| 10 | 90° | 4.5 | 17 | 56 | 35 | 44 | 6 | 9 | 15.5 | 8 | 15.4 |
| 180° | 69 | ||||||||||
| 360° | 97 | ||||||||||
| 15 | 90° | 5.5 | 20 | 65 | 40 | 50 | 7 | 10 | 16 | 9 | 17.6 |
| 180° | 82 | ||||||||||
| 360° | 116 |
[Note] ※ Size AU represents the size of the adjustment part, not the factory state size.S:

| Cylinder Diameter\ Symbols | Swing Angle | A | AU※ | B | BA | BB | BC | BD | BE | BU | CA | CB | D(g6) | DD(h9) | F | H | J | JA | JB |
| 20 | 90°,180°,360° | 63 | (11) | 50 | 14 | 34 | 14.5 | - | - | 30.4 | 7 | 5 | 10 | 25 | 2.5 | 30 | M8×1.25 | 11 | 6.5 |
| 30 | 90°,180°,360° | 69 | (11) | 68 | 14 | 39 | 16.5 | 49 | 16 | 34.7 | 8.1 | 5.3 | 12 | 30 | 3 | 32 | M10×1.5 | 14 | 8.5 |
| 40 | 90°,180°,360° | 78 | (13) | 76 | 16 | 47 | 18.5 | 55 | 16 | 40.4 | 8.3 | 5.5 | 15 | 32 | 3 | 36 | M10×1.5 | 14 | 8.6 |
| Cylinder Diameter\ Symbols | Swing Angle | JJ | K | Q | S | W | Key Size | US | TA | TB | TC | TD | TF(H9) | TG(H9) | TL | UW | G | M | N | L | |
| b | L1 | ||||||||||||||||||||
| 20 | 90° | - | 3 | 29 | 104 | 11.5 | 20 | 59 | 24.5 | 1 | 13.5 | 27 | 4 | 4 | 2.5 | 74 | 15 | 11 | |||
| 180° | 130 | ||||||||||||||||||||
| 360° | 180 | ||||||||||||||||||||
| 30 | 90° | M5×0.86 | 4 | 33 | 122 | 13.5 | 20 | 65 | 27 | 2 | 19 | 36 | 4 | 4 | 2.5 | 83 | 18 | 13 | |||
| 180° | 153 | ||||||||||||||||||||
| 360° | 216 | ||||||||||||||||||||
| 40 | 90° | M6×17 | 5 | 37 | 139 | 17 | 20 | 73 | 32.5 | 2 | 20 | 39.5 | 5 | 5 | 3.5 | 93 | 20 | 15 | |||
| 180° | 177 | ||||||||||||||||||||
| 360° | 253 | ||||||||||||||||||||
[Note] 1.※ Size AU represents the size of the adjustment part, not the factory state size.
2.In addition to Rc1/8, you can choose G1/8, NPT1/8, NPTF1/8.

